YBF3系列風機用隔爆型三相異步電動機(機座號63~355)》,同時也符合MT451-1995《煤礦用隔爆型低壓三相異步電動機安全性能通用技術規范》的規定,該產品具有性能優良,使用安全可靠,振動、噪聲比同類產品更低的特點,符合環保要求。
西瑪YBF3系列風機專用防爆電機技術參數:
中心高80~355mm,功率0.75~355KW,防護等級IP65,絕緣等級F級,冷卻方式IC411,環境溫度-15℃~+40℃,海拔不超過1000m。
西瑪YBF3系列風機專用防爆電機型號說明:

西瑪YBF3系列風機專用防爆電機主要特點及依據標準:
該系列依據GB3836.1-2010《爆炸性環境 第1部分:設備 通用要求》和GB3836.2-2010《爆炸性環境 第2部分:由隔爆外殼“d” 保護的設備》,制成隔爆型。執行標準JB/T 7565.5-2015《隔爆型三相異步電動機技術條件 第5部分: YBF3系列風機用隔爆型三相異步電動機(機座號63~355)》,同時也符合MT451-1995《煤礦用隔爆型低壓三相異步電動機安全性能通用技術規范》的規定,該產品具有性能優良,使用安全可靠,振動、噪聲比同類產品更低的特點,符合環保要求。
本系列電動機的功率等級、安裝尺寸符合國際電工委員會(IEC)標準,其對應關系與德國DIN42673標準相同,有利于出口設備的配套和引進設備的配套。
西瑪YBF3系列風機專用防爆電機應用范圍及使用環境:
YBF3系列風機用隔爆型三相異步電動機,防爆標志Ex d I Mb。該系列電動機適用于煤礦井下(非采掘工作面)有爆炸性氣體混合物存在的場所。
西瑪YBF3系列風機專用防爆電機訂貨須知
用戶訂貨時須注明電動機型號、功率、轉速、電壓、頻率、安裝型式、接線盒位置(有頂出線和右出線):
·電機型號:(YBF3-132S1-2-5.5KW)
·額定功率:(5.5kw)
·額定電壓:(380V)
·額定頻率:(50Hz)
·同步轉速:(1500r/min)
·安裝方式:(IMB3)
·防護等級:(IP55)
·冷卻方式:(IC411)
·絕緣等級:(F級)(溫升按照B級考核)
·環境條件:(海拔1000m,環境溫度不低于-15℃,不高于40℃)
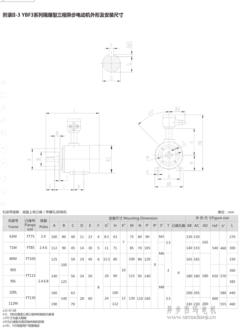
西瑪YBF3系列風機專用防爆電機安裝尺寸





聯系人:金經理
手 機:13201807999
郵 箱:simo@ximadianji.cn
公 司:陜西異步西瑪電機有限公司
地 址:西安市金花北路205號